آی سی TDA7377
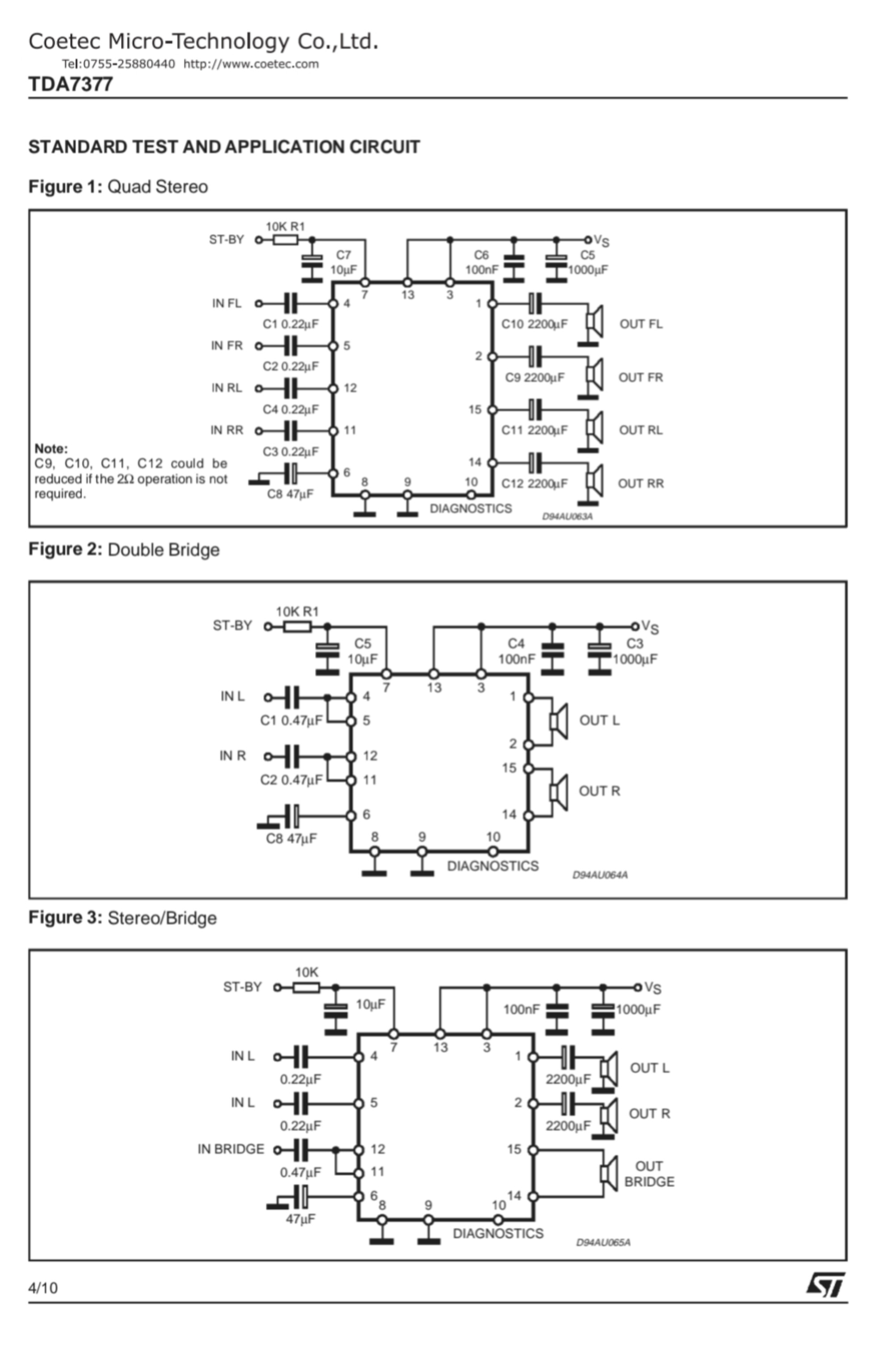
آیسی TDA7377 یک آمپلیفایر صوتی کلاس AB ساخت شرکت STMicroelectronics است که بیشتر در رادیوپخش خودرو و پروژههای صوتی ساده استفاده میشود؛ این تراشه با پکیج ۱۵ پایه عرضه شده و میتواند در حالت چهارکاناله حدود ۴×۱۰ وات یا در حالت پل (Bridge) تا ۲×۳۵ وات توان خروجی روی بار ۴ اهم تولید کند. با ولتاژ تغذیه تا ۱۸ ولت و نیاز به قطعات جانبی اندک، صدایی شفاف و کمنویز فراهم کرده و برای ساخت اسپیکرهای قابل حمل، سیستمهای صوتی خانگی یا آموزشی گزینهای اقتصادی و کاربردی محسوب میشود. تصویر ممکن است با محصول تفاوت جزئی داشته باشد!
ولتاژ تغذیه:
8 تا 18 ولت
جریان مصرفی:
3 آمپر
توان واقعی:
35×2 وات
تعداد پایه:
15 پایه
نوع:
کلاس AB
شما هم درباره این کالا دیدگاه ثبت کنید

