آیسی ATmega32A
ATmega32A-PU یک میکروکنترلر ۸ بیتی با معماری RISC و بستهبندی DIP 40 پین است که دارای حافظه فلش 32 کیلوبایتی قابل برنامهریزی درونمداری، ADC داخلی، تایمرهای چندگانه و پروتکلهای ارتباطی متنوع است. فاصله پایهها در این بستهبندی استاندارد 2.54 میلیمتر (0.1 اینچ) است.
---
⚙️ مشخصات فنی کامل بر اساس دیتاشیت:
- معماری پردازنده: AVR با دستورالعملهای RISC
- فرکانس کاری: تا 16 مگاهرتز
- حافظه فلش: 32KB قابل برنامهریزی درونمداری
- EEPROM داخلی: 1KB
- SRAM داخلی: 2KB
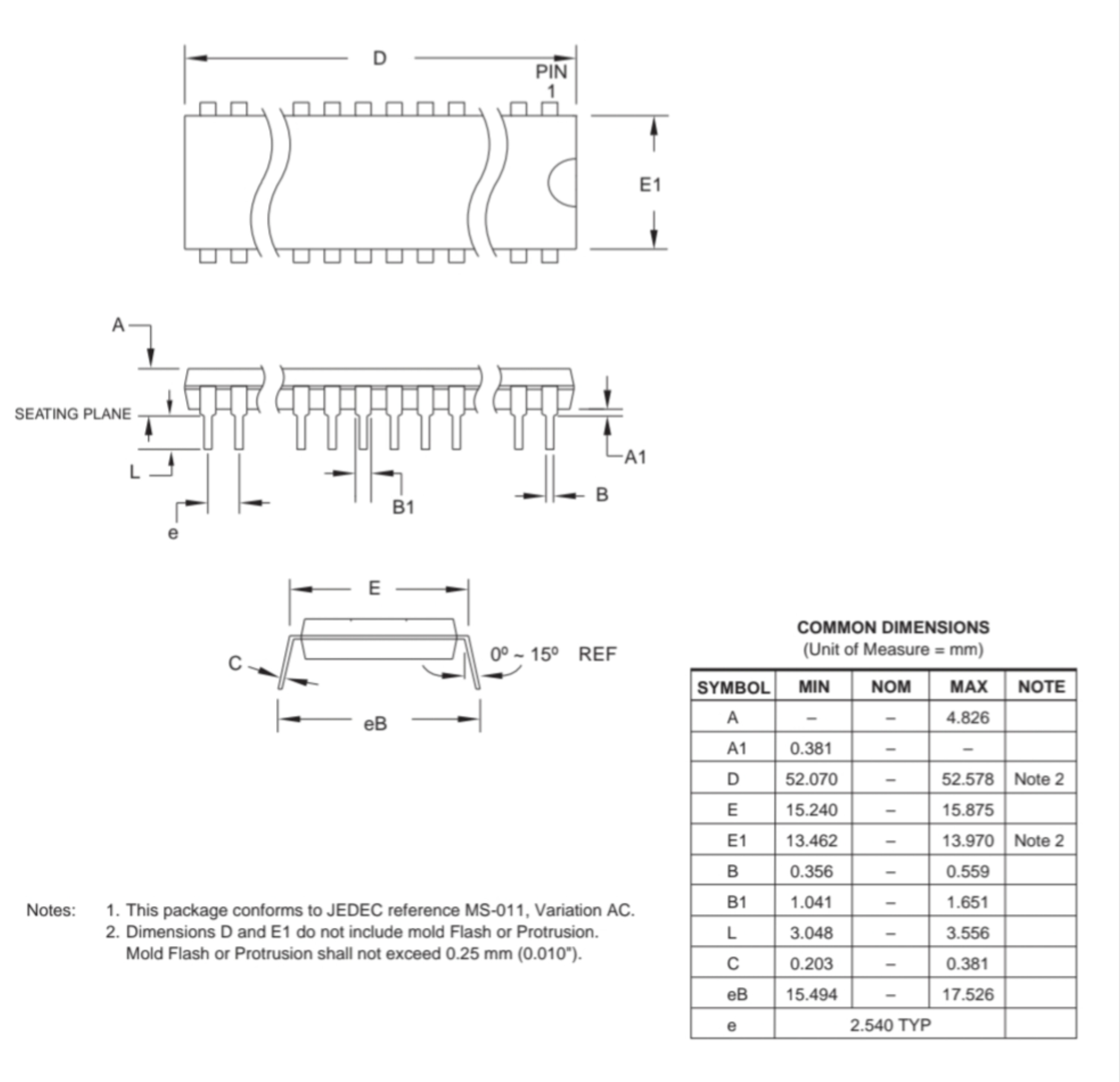
- تعداد پایهها: 40 پین در قالب PDIP
- فاصله بین پایهها: 2.54 میلیمتر (استاندارد بردبرد و PCB)
- طول آیسی: حدود 52.3 میلیمتر
- عرض آیسی: حدود 15.2 میلیمتر
- مبدل آنالوگ به دیجیتال: 8 کاناله، 10 بیتی
- تایمرها: دو تایمر 8 بیتی و یک تایمر 16 بیتی
- پروتکلهای ارتباطی: USART، SPI، TWI (I2C)
- تعداد وقفهها: 21 وقفه داخلی و خارجی
- ولتاژ کاری: 2.7 تا 5.5 ولت
- توان مصرفی پایین با حالتهای Sleep متنوع
- قابلیت برنامهریزی از طریق ISP و JTAG
---
🧰 کاربردها:
- پروژههای آموزشی با زبان C و اسمبلی
- طراحی بردهای کنترلی صنعتی و رباتیک
- سیستمهای تعبیهشده (Embedded Systems)
- جایگزین مناسب برای ATmega16 با حافظه بیشتر
- مناسب برای بردبرد و PCBهای استاندارد بهدلیل فاصله پایه 2.54mm
فرکانس کاری:
تا 16 مگاهرتز
ولتاژ کاری:
2.7 تا 5.5 ولت DC
تعداد پایهها:
40 پایه (DIP) یا 44 پایه (TQFP)
حافظه فلش (Flash):
32 کیلوبایت
شما هم درباره این کالا دیدگاه ثبت کنید


تفاوتش با اتمگا 16 چی هستش؟ میشه بجای اون هم استفاده کرد؟
درود بر شما دوست عزیز، تفاوت این دو ایسی در حافظه ان هست، به عنوان مثال حافظه فلش ATmega 32 برابر با 32k بایت هست اما ATmega 16 فقط 16k بایت هستش،حافظه SRAM و EEPROM آیسی ATmega 32 دو برابر ATmega 16 هستش، اما از نظر تعداد پایه و ترتیب پایه این دو هیچ تفاوتی ندارن و میتونین ازش استفاده کنید✅